ザ・セパレータ

元来セパレータの使用方法を間違うと、思わぬ事故の発生の原因となります。
ここで、セパレータという型枠間隔保持材の特性をよく理解していただき、
型枠破損事故のないよう、伏して願うものであります。

26 ラス及びメタル型枠工法用セパレータ

(イ)両側ラス型
(ロ)片側ラス+片側コンパネ型

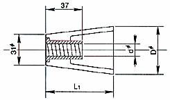
27 D型(W1/2)セパレータ

本体の種類
サイズ
種類

W
12x250
12x300
12x360
理想設計許容強度
2,900kg
No.
名称
d
L1
D
入数
1
DPコーン
W
40
39
250
2

塩害用DPコーン

W
55
44
150
3
70
48
100
4
90
53
70

※セパレータ全長の算出法

 セパレータ全長寸法(A)=壁厚(W)-(L1x2)+30

28 スナップセパレータ